Features:


| HTW71 Load V.S. Speed | Load ±10%(N) | Speed ±2(mm/S) | |||||||
| Max load(N) | 5000 | ||||||||
| Free-load speed(mm/s) | 4.6 | ||||||||
| Full-load speed(mm/s) | 4.3 | ||||||||
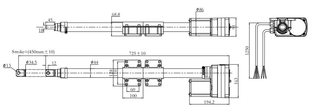
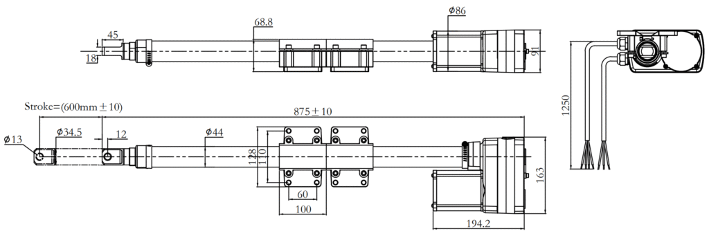
| Stroke V.S. Retracted length | stroke ±2(mm) | retracted length ±2(mm) | |||||||
| Stroke(MM) | 450 | 600 | |||||||
| Retracted length(MM) | 725 | 875 | |||||||
| Net Weight(KG) | |||||||||
Installed in a woodworking saw table in 2017,
this linear actuator remained in continuous service for years without replacement.
In 2025, the same customer reordered the identical model for a new project.